13980236437
首页
关于乐鱼官网
leyu简介
企业文化
资质荣誉
发展历程
组织机构
办公环境
生产环境
新闻资讯
乐鱼动态
百科知识
应用领域
石油化工
火力发电
矿山冶金及有色金属
氧化铝
造纸
医药
食品加工
化肥
产品中心
脱硫泵机封系列
渣浆泵机封系列
铝泵机封系列
油泵机封系列
管道泵机封系列
耐腐蚀泵机封系列
搅拌器机封系列
反应釜机封系列
密封系统
化工泵机封
标准机封
乐鱼合作伙伴
leyucom售后服务
leyucom售后服务
保养知识
机封维修
联系乐鱼官网
产品中心
当前位置:
首页
-
产品中心
-
密封系统
换热器
产品型号:
换热器
适用范围:
换热器
结构特点:
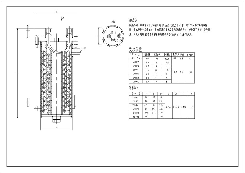
换热器用于机械密封辅助系统API Plan21.22.23.41中,对工作液进行冷却或保温,换热管设计成螺旋状,具有显著的换热效果和紧凑的尺寸。换热器可拆卸,易于清洗,其设计制造,检验验收和材料的选择符合GB150-98标准规定。
13980236437
详细介绍
相关推荐
增压罐
产品型号:
增压罐
适用范围:
增压罐
压力罐
产品型号:
压力罐
适用范围:
压力罐
储液罐
产品型号:
储液罐
适用范围:
储液罐
Copyright(C)2006-2025 All Rights Reserved 自贡市耐斯特密封件有限公司 备案号:
蜀ICP备16035722号-1
技术支持:
乐鱼官网(中国)一站式体育服务-官网-leyucom